1.296 visninger
|
Oprettet:
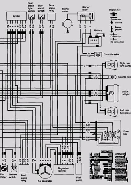
Montering af led blinklys {{forumTopicSubject}}
Forvirring total . ( Montering af led blinklys, nyt relæ sat på )
Hvis jeg blinker til venstre virker venstre side.
Blinker jeg til højre blinker alle .
Mangler at montere højre foran, der er de 3 ledninger... hvad gør jeg galt
(Suzuki vs700 intruder )
mar 2020
Følger: 1 Følgere: 15 MC-er: 1 Emner: 3 Svar: 51
jan 2025
Følgere: 2 Emner: 1 Svar: 79
Over there har MC kørelys i de forreste blinklys. Hvis det er tilfældet, så bare sæt krympeflex på ledningsstumpen.
jan 2025
Følgere: 2 Emner: 1 Svar: 79
vedlægger 2 billeder. Anbefaler du printer billederne ud og klistre dem sammen.
jan 2025
Følgere: 2 Emner: 1 Svar: 79
Montering af led blinklys