{{ getTotalHits() | thousandNumberSeperatorFilter }} resultater Filter

nr plade vipper fzr1000

Tilbage til nr plade vipper fzr1000

nr plade vipper fzr1000 - Her er det næsten færdige resultat af det hele mangler lige det sidste  billede 1
nr plade vipper fzr1000 - Her er det næsten færdige resultat af det hele mangler lige det sidste  billede 2
nr plade vipper fzr1000 - Her er det lignet op, så skal der bare laves en lille trækstang fra det lille bukkede beslag på nrpladebelaget og så op til den lille central lås motor oppe bag baglygten   billede 3
nr plade vipper fzr1000 billede 4
nr plade vipper fzr1000 billede 5
nr plade vipper fzr1000 - Her har jeg fået lignet det næsten det hele op hvordan det skal sidde billede 6
nr plade vipper fzr1000 billede 7
nr plade vipper fzr1000 - Først fik jeg skåret bag skærmen af og så fik Jeg stykket et godt og ktafitigt beslag sammen med en hængsel fra bauhause og noget jern jeg lige havde liggene. Og har derefter fået popnittet den fast på bagskærmen  billede 8
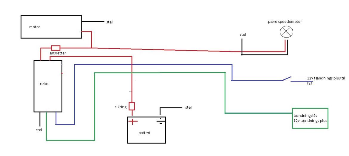
nr plade vipper fzr1000 - Her har jeg fundet de ledninger jeg skal bruge der går en treledet ledning fra boksen og op under tanken hvor jeg fandt et 12v tændnings plus og så en ledning op til overhalings lys kontakten og så en ledning op til til en pære oppe i speedometeret som tænder når nr pladen er vippet billede 9
nr plade vipper fzr1000 billede 10
nr plade vipper fzr1000 - Her har jeg så valgt og bruge blinklys indikator som. allivel ikke var koblet til billede 11
nr plade vipper fzr1000 billede 12
nr plade vipper fzr1000 - Her har jeg klippet den gule ledning over da jeg ikk skal bruge den til noget og så har jeg trukket en ny ledning derop der skal bruges som 12v impuls til at aktivere relæet  billede 13
nr plade vipper fzr1000 billede 14
nr plade vipper fzr1000 billede 15
nr plade vipper fzr1000 billede 16
nr plade vipper fzr1000 billede 17
nr plade vipper fzr1000 billede 18
nr plade vipper fzr1000 - her er et lednings diagram  billede 19
Annonce